| Sign In | Join Free | My gastesters.com |
|
Brand Name : YBX
Model Number : YX81G5-50A-T
Certification : cUL, ENEC, CE, ROHS, ISO
Place of Origin : China
MOQ : 5pcs
Price : Negotiable
Supply Ability : 2000pcs per month
Delivery Time : 15-25 days
Packaging Details : 56.5*28.5*22.5CM
Product Name : Terminal Block Three Phase Filter
Type : EMI Filter
Voltage : 380V/440V
Current : 1A-200A
Frequency : 50/60HZ
Line to Line : 1450VDC
Line to Ground : 2250VDC or 2000VAC
MOQ : 5pcs
50A 380VAC 3 Phase Three Line RFI Servo Drive EMC Filter
Technical Specification:
| Item | 3 Phase EMI Filter |
| Model | 3 Phase EMI Filter -YX81G series |
| Transfer Function | Low Pass |
| Package Type | Surface Mount |
| Nominal Center Frequency | 150K-30MHZ |
| Insertion Loss | 60~90dB |
| Input Impedance | 50Ω |
| Rated Voltage | 380V/440V |
| Rated Current | 1A-100A |
| Environmental Temperature | 40°C |
| Temperature Range | 25 / 085 / 21 |
| Operating Frequency | 50/60HZ |
| Line to Line | 1450VDC |
| Line to Ground | 2250VDC or 2000VAC |
| Maximum Leakage Current | 115VAC/60HZ 1.4mA Max. 250VAC/60HZ 2.5mA Max |
| MOQ | 5pcs |
| Price | USD4.8~88/Meter |
| Lead Time | 3~15 weekday for Low Pass EMI Filter |
Features:
1. Protection against interference of voltage
2. YX83 filters provide a broadband common and differential-mode attenuation performance, it still can be available when the interference is larger
3. Customized products according to customer's requirements.
Typical Applications:
-- For photovoltaic systems and industrial applications
-- Three-phase motor drives
-- UPS/SMPS
-- Industrial automation equipment
Rule of Nomination:
YB------81--------G5---------30A-----------T
¦ ¦ ¦ ¦
circuit case current connection
Tabulates:
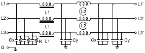
| Model No. | Rated Current @40°C | Terminal Options* | Leakage current 440V/50Hz | Electrical Schematic | Rated Voltage(V) | Operating Frequency(Hz) | ||||||||||||||||||||||||||||||
| YX83G1-1A | 1A | Q | S | T |
<1.0mA | Fig.1 |
250/440V |
50/60Hz | ||||||||||||||||||||||||||||
| YX83G1-3A | 3A | Q | S | T | Fig.1 | |||||||||||||||||||||||||||||||
| YX83G1-6A | 6A | Q | S | T | Fig.1 | |||||||||||||||||||||||||||||||
| YX83G2-10A | 10A | Q | S | T | Fig.1 | |||||||||||||||||||||||||||||||
| YX83G2-15A | 15A | Q | S | T | Fig.1 | |||||||||||||||||||||||||||||||
| YX83G2-20A | 20A | - | S | T | Fig.1 | |||||||||||||||||||||||||||||||
| YX83G3-10A | 10A | - | S | T | <2.0mA | Fig.1 | ||||||||||||||||||||||||||||||
| YX83G3-20A | 20A | - | S | T | Fig.1 | |||||||||||||||||||||||||||||||
| YX83G3-30A | 30A | - | S | T |
<5.0mA | Fig.1 | ||||||||||||||||||||||||||||||
| YX83G5-30A | 30A | - | S | T | Fig.1 | |||||||||||||||||||||||||||||||
| YX83G5-50A | 50A | - | S | T | Fig.1 | |||||||||||||||||||||||||||||||
| YX83G5-60A | 60A | - | S | T |
<7.0mA | Fig.1 | ||||||||||||||||||||||||||||||
| YX83G4-100A | 100A | - | S | T | Fig.1 | |||||||||||||||||||||||||||||||
| YX83G4-150A | 150A | - | S | T | Fig.1 | |||||||||||||||||||||||||||||||
| YX83G6-200A | 200A | - | S | T | <10.0mA | Fig.1 | ||||||||||||||||||||||||||||||
*Q: Fast-on 6.35x0.8mm
S: Screw
lug
T: Terminal block


| Case | A | B | C | D | E | F | G | H | I | J | K | L | ||||||||||||||||||||||||||||
| G1 | 72 | 65 | 39 | 75 | 85 | 35 | 22 | 45 | M4 | M4/M6 | ||||||||||||||||||||||||||||||
| G2 | 98 | 80 | 40 | 95 | 105 | 50 | 20 | 4.5*6.5 | 50 | M4 | M4/M6 | |||||||||||||||||||||||||||||
| G3 | 120 | 100 | 50 | 115 | 130 | 50 | 28 | 4*6 | 60 | M4 | M4/M6 | |||||||||||||||||||||||||||||
| G4 | 200 | 127 | 80 | 150 | 170 | 62 | 49.5 | 6*9 | 117 | M6/M8 | M8/M10 | |||||||||||||||||||||||||||||
| G5 | 150 | 105 | 60 | 120 | 135 | 55 | 35 | 4*6 | 90 | M6 | M8 | |||||||||||||||||||||||||||||
| G6 | 260 | 170 | 100 | 196 | 220 | 85 | 65 | 8*12 | 172 | M8 | M10 | |||||||||||||||||||||||||||||
| Tolerances | ±1 | ±1 | ±1 | ±0.15 | ±1 | ±0.5 | ±0.5 | ±0.15 | ±0.15 | ±0.15 | ||||||||||||||||||||||||||||||
YX81G5-30A-T Product Picture:

Insertion loss table(In 50ohm system according IEC/CISPR No.17)

|
|
Three Phase Filter 150K-30MHz 380V 50A EMI/RFI Filter For Photovoltaic System Images |