| Sign In | Join Free | My gastesters.com |
|
Brand Name : YBX
Model Number : YX91G5-50A-S
Certification : cUL, ENEC, CE, ROHS, ISO
Place of Origin : China
MOQ : 5pcs
Price : Negotiable
Supply Ability : 2000pcs per month
Delivery Time : 15-25 days
Packaging Details : 56.5*28.5*22.5CM
Type : Three Phase Filter
Voltage : 380V/440V
Current : 1A-200A
Frequency : 50/60HZ
Line to Line : 1450VDC
Line to Ground : 2250VDC or 2000VAC
Payment Terms : T/T, Paypal
Certificate : ENEC TUV CE ROHS
440V 50A High Current High VoltageThree Phase Four Line EMI Filter AC RFI Filter
Three Phase Four Line Filter:
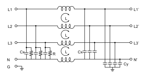
YX91G5-50A-S is the three phase filter, five in four out line, with three-stage filtering effect, M4 and M6 screw terminals are used to connect the device commonly used voltage of 380V~ 520V, current range of 10A ~ 500A, for high-voltage industrial equipment, three-phase inverter, servo motors and so on.
Typical Applications Of Three Phase RFI Filter:
YX91G5-50A-S EMI Filter Parameters:
| Item | 3 Phase EMI Filter |
| Model | YX91G5-50A-S |
| Transfer Function | High Pass |
| Package Type | Surface Mount |
| Nominal Center Frequency | 150K-30MHZ |
| Insertion Loss | 60~90dB |
| Input Impedance | 100Ω |
| Rated Voltage | 380V/520V |
| Rated Current | 1A-50A |
| Environmental Temperature | 40°C |
| Temperature Range | 25 / 085 / 21 |
| Operating Frequency | 50/60HZ |
| Line to Line | 1450VDC |
| Line to Ground | 2250VDC or 2000VAC |
| Maximum Leakage Current | 115VAC/60HZ 1.4mA Max. 250VAC/60HZ 2.5mA Max |
| MOQ | 5pcs |
Filter Selection Table:
| Part No. | Case | Rated Currents (A) | Output Connections |
| YX91G5 | G5 | 10 | M4 screw/M6 screw |
| YX91G5 | G5 | 20 | |
| YX91G5 | G5 | 30 | Terminal block |
| YX91G5 | G5 | 40 | |
| YX91G5 | G5 | 50 | Copper bar |
*Q: Fast-on 6.35x0.8mm
S: Screw lug
T: Terminal block
Naming Rule:
| YX | 91 | G5 | - | 50A | - | S |
| | | | | | | | | | | ||
| Three Phase | Circuit | Dimension | Current | Output Connection | ||
| 91:91 circuit | G5 | 30A :30 amp | S:M4 screw | |||
| 40A :40 amp | T:Terminal block | |||||
| 50A :50 amp | B:Cooper bar |
Electrical Schematic:




| Case | A | B | C | D | E | F | G | H | I | J | K | L | M | ||||||||||||||||||||||||||||||
| G1 | 72 | 65 | 39 | 75 | 85 | 35 | 22 | 45 | M4 | M4/M6 | |||||||||||||||||||||||||||||||||
| G2 | 98 | 80 | 40 | 95 | 105 | 50 | 20 | 4.5*6.5 | 50 | M4 | M4/M6 | ||||||||||||||||||||||||||||||||
| G3 | 120 | 100 | 50 | 115 | 130 | 50 | 28 | 4*6 | 60 | M4 | M4/M6 | ||||||||||||||||||||||||||||||||
| G4 | 200 | 127 | 80 | 150 | 170 | 62 | 49.5 | 6*9 | 117 | M6/M8 | M8/M10 | ||||||||||||||||||||||||||||||||
| G5 | 150 | 105 | 60 | 120 | 135 | 55 | 35 | 4*6 | 90 | M6 | M8 | ||||||||||||||||||||||||||||||||
| G6 | 260 | 170 | 100 | 196 | 220 | 85 | 65 | 8*12 | 172 | M8 | M10 | ||||||||||||||||||||||||||||||||
| Tolerances | ±1 | ±1 | ±1 | ±0.15 | ±1 | ±0.5 | ±0.5 | ±0.15 | ±0.15 | ±0.15 | ±0.15 | ±2 | |||||||||||||||||||||||||||||||
Our EMI Filter Company Strength:
Our company is a collection of electromagnetic compatibility (EMC) & EMI FILTERS research and development, production and sales of high new technical enterprise. After years of efforts of the company's personnel, products successively obtained the cUL,TUV,CQC, CE, ROSH certifications. We have ISO 9001:2015 to ensure the product quality. We became the listed company in 2016; and now we are the top 500 domestic enterprises designated suppliers!
|
|
High Current High Voltage Three Phase Four Line EMI Filter AC RFI Filter 520V 50A Images |